注册名:
密码:
个人 企业 商务
个人注册
企业注册
商务申请
商务管理平台
企业管理平台
个人管理平台
我的工控博客
专业频道:
PLC与控制器
工控机
传感器
人机界面
阀体及定位器
变频器与传动
低压电器
工业网络
工业电源
电气绘图
企业中心:
企业
新闻
风采
产品
论坛
技术
下载
供求
招聘
工控博客
才苑
博闻
博采
博文
博坛
求职
自动化技术中心
自动化年度调查
行业频道
同城之间
自动化书籍
自动化新闻
自动化展览会
资料下载
电气手册
工控视频
中国工控网搜索:
·西门子变频器调试参数
·电动机节能有几种方法,如果认为是“变频器和软启动器”的,请免谈!!!
·探讨:16台变频器的控制方案。
·如何用万用表测量电动机绝缘电阻
·绕线式电机的改造
·变频器与水锤效应
·高压柜控制电源为什么大多采用直流DC220V或直流屏,而不用交流AC220V或UPS
·PLC I/O端的接线应用中应注意的问题
更多..
小流汇海工控博客
助理工程师
·传动设计中需要变频器的选型,你首选什么品牌?
·设计选用风机、泵类软启动器,你首选什么品牌?
·国内高压变频器现状
·英威腾发出豪言未来将在变频器领域在国内超越西门子和ABB
·三垦推出新品变频器
·山社步进马达使用时应注意的事项
·电机负载时为何电流会变大??
·电机故障检修
·变频器实用电路图集与原理图说 电子版
·富士变频器维修与故障处理!!~-~
·电力拖动调速系统主要有哪几种类型?
·电抗器与变频器
·三菱交流伺服主轴驱动系统在数控加工中心上的应用
·为什么变频器的电压与频率成比例的改变
·DSP专题—DSP发展应用纵横谈
·步进驱动系统的精度
·工业汽轮机在城市热水网集中供热系统中的应用
求职:工程设计(硕士研究生、在校大学生)
求职:工程安装(大学本科、工程师)
求职:电气维护(大学专科、助理工程师)
查询工控论坛统计
自动化技术
自动化产品
自动化调查
自动化招聘
自动化图书
自动化资料
搜索: 本栏搜索 全栏搜索
发表新论题
变频器论坛分类
全部论题
选型技巧
参数经验
安装维修
应用经验
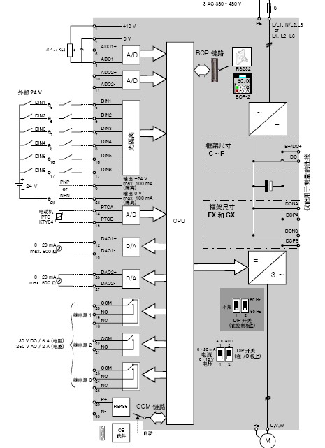
以下是关于《西门子MM430变频器接线图》论题的回复(共1篇)
回复时间:2012/6/29 17:11:00
支持(836) | 反对(737)
好文章啊,谢谢楼主
如果要回复本栏论题,请首先中国工控网www.chinakong.com
·如果你已经是中国工控网www.chinakong.com成员,请直接登录。
·如果你还不是中国工控网www.chinakong.com成员,请首先注册,注册为免费!
密 码:
关闭该窗口
更多资料下载
更多自动化产品
Baldor电机 C
BALDOR直线电机
Copley驱动器A
Motor Powe
台达C200精睿型变
关于我们 免责声明 服务项目 广告联系 友情链接 联系方式 意见反馈 设为首页 加入收藏
©2023-2025 中国工控网(www.chinakong.com) 版权所有 豫ICP备17046657号
管理员信箱:chinakong98@163.com 服务热线:13525974529
洛阳博德工控自动化技术有限公司
中国 洛阳