注册名:
密码:
个人 企业 商务
个人注册
企业注册
商务申请
商务管理平台
企业管理平台
个人管理平台
我的工控博客
专业频道:
PLC与控制器
工控机
传感器
人机界面
阀体及定位器
变频器与传动
低压电器
工业网络
工业电源
电气绘图
企业中心:
企业
新闻
风采
产品
论坛
技术
下载
供求
招聘
工控博客
才苑
博闻
博采
博文
博坛
求职
自动化技术中心
自动化年度调查
行业频道
同城之间
自动化书籍
自动化新闻
自动化展览会
资料下载
电气手册
工控视频
中国工控网搜索:
·对于一个PLC现场工程师 你还没了解的工作指南
·S7-300与丹佛斯FC系列变频器Profibus通讯调试要点
·请教西门子OP与PC之间的下载线如何自制?
·请教高速计数器和普通计数器的区别
·怎样检查一张SIMATIC存储卡(SMC)有非一致性或者是格式错误?如何修复?
·plc控制系统的工作方式
·关于涡街流量计测量误差偏大的问题?
·相对误差和引用误差的区别?
更多..
MEMS压力传感器工控博客
高级工程师
·在自动化工程设计中需要PLC选型,你首选什么品牌?
·针对可靠性和产品性能指标,你信任和选用的国产PLC品牌?
·三菱系列PLC中,你最多使用的是哪个系列?
·西门子系列PLC中,你最多使用的是哪个系列?
·2013年最具影响力的工业自动化品牌?
·富氧燃烧速度
·S7-300 315-2DP故障原因求助
·工控机生产四大特征
·各种玻璃窑炉投料机图片
·平板玻璃池窑结构图和各部位作用
·温度自动控制系统课程综合设计
·PCS7 使用注意事项
·程序的自动与手动单步怎么来构思
·断路器跳闸
·为什么?步进驱动器脉冲公共端与24V端子碰一下步进电机动一点,发脉冲时电机不动。
·PLC内定时器、计数器、数据寄存器数据的外部设定与显示
·可编程控制器PLC应用于广播发射机自动控制
·太钢原料场皮带运料程控系统
·PLC、DCS、FCS在冶金过程控制中的应用
·PLC在船舶减摇鳍随动系统中的应用
诚聘:电气工程师(软件编程)
求职:电气维护(中技、技工)
求职:仪表维护(大学本科、助理工程师)
求职:软件编程(大学本科、技术员)
查询工控论坛统计
自动化技术
自动化产品
自动化调查
自动化招聘
自动化图书
自动化资料
搜索: 本栏搜索 全栏搜索
发表新论题
三菱PLC论坛分类
全部论题
PLC基础
PLC I/O接线
PLC编程
PLC网络通信
PLC应用
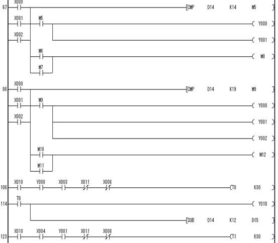
哪里错了,这是图 这是程序 [url]http://www.chinakong.com/forum/down.asp?id=26126[/url]
以下是关于《三菱PLC自动售货机程序哪里错了》论题的回复(共4篇)
回复时间:2011/3/23 11:48:00
支持(590) | 反对(369)
好好好好好好好好好好好好好
回复时间:2011/3/23 11:49:00
支持(514) | 反对(490)
我不懂PLC,帮不了你啊
回复时间:2012/1/13 12:49:00
支持(647) | 反对(614)
过来学习一下
回复时间:2012/4/11 13:03:00
支持(495) | 反对(497)
你写的是不是那个程子华老师的啊,我有做过。
如果要回复本栏论题,请首先中国工控网www.chinakong.com
·如果你已经是中国工控网www.chinakong.com成员,请直接登录。
·如果你还不是中国工控网www.chinakong.com成员,请首先注册,注册为免费!
密 码:
关闭该窗口
更多资料下载
更多自动化产品
SUNON fan
QJ71MES96
编码器TMD编码器
TMB系列编码器
天正接触调压器
关于我们 免责声明 服务项目 广告联系 友情链接 联系方式 意见反馈 设为首页 加入收藏
©2023-2025 中国工控网(www.chinakong.com) 版权所有 豫ICP备17046657号
管理员信箱:chinakong98@163.com 服务热线:13525974529
洛阳博德工控自动化技术有限公司
中国 洛阳