注册名:
密码:
个人 企业 商务
个人注册
企业注册
商务申请
商务管理平台
企业管理平台
个人管理平台
我的工控博客
专业频道:
PLC与控制器
工控机
传感器
人机界面
阀体及定位器
变频器与传动
低压电器
工业网络
工业电源
电气绘图
企业中心:
企业
新闻
风采
产品
论坛
技术
下载
供求
招聘
工控博客
才苑
博闻
博采
博文
博坛
求职
自动化技术中心
自动化年度调查
行业频道
同城之间
自动化书籍
自动化新闻
自动化展览会
资料下载
电气手册
工控视频
中国工控网搜索:
·24V直流电机的传递函数是多少啊?K,t一般各取多少啊?
·变频器过流故障分析
·变频器一启动就故障指示OC
·什么是变频器,变频器的主要作用是什么,变频器能变频吗?
·西门子变频器操作面板BOP-2和BOP的区别
·选择一台好的逆变器,应注意以下几个问题
·电气设备维修的十项原则
·18根240的电缆全部粘上了[讨论]
更多..
张先生工控博客
工程师
·传动设计中需要变频器的选型,你首选什么品牌?
·设计选用风机、泵类软启动器,你首选什么品牌?
·山社步进马达使用时应注意的事项
·三垦推出新品变频器
·西门子G110 如何进行通讯
·减速机怎么选型?
·电机负载时为何电流会变大??
·小型异步电动机的体系
·变频器原理/基本知识(摘)
·电抗器与变频器
·PowerFlex700变频器参数设定方法
·变频器如何带单相设
·常用电机与控制—直流电动机(二)
·步进电机的简单认识
·变频调速泵在水消防系统中应用的探讨
·电动机起动时应注意的问题
·异步电动机智能软起动器及其应用
求职:产品销售(硕士研究生、工程师)
求职:设备采购(大学本科、助理工程师)
求职:电气维护(大学专科、技术员)
查询工控论坛统计
自动化技术
自动化产品
自动化调查
自动化招聘
自动化图书
自动化资料
搜索: 本栏搜索 全栏搜索
发表新论题
伺服驱动论坛分类
全部论题
选型技巧
参数经验
安装维修
应用经验
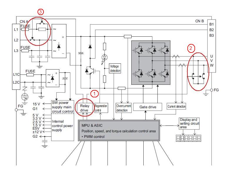
高手们,看图片里的1,2,3: 问题1:有1个还是2个继电器? 问题2:继电器控制U,V,W短接是什么目的? 问题3:这里是控制驱动电源吗?和问题2上的是共用同一个继电器吗? 不胜言谢!
以下是关于《请教高手,关于OMRON伺服驱动原理图的问题》论题的回复(共1篇)
回复时间:2022/11/9 8:28:00
支持(97) | 反对(130)
我也想了解一下
如果要回复本栏论题,请首先中国工控网www.chinakong.com
·如果你已经是中国工控网www.chinakong.com成员,请直接登录。
·如果你还不是中国工控网www.chinakong.com成员,请首先注册,注册为免费!
密 码:
关闭该窗口
更多资料下载
更多自动化产品
东芝变频器VF-NC
BALDOR直线电机
Baldor电机 V
台达温度控制器DTC
意大利Motor P
关于我们 免责声明 服务项目 广告联系 友情链接 联系方式 意见反馈 设为首页 加入收藏
©2023-2025 中国工控网(www.chinakong.com) 版权所有 豫ICP备17046657号
管理员信箱:chinakong98@163.com 服务热线:13525974529
洛阳博德工控自动化技术有限公司
中国 洛阳